精益求精,匠心制造10余年专注自控糖心视频APP官网入口研制

服务热线021-60528933

糖心官网入口糖心视频APP官网入口精工铸造,品类丰富,一站式选购配套更省心
上一页
下一页

ZMAQ气动薄膜三通调节阀

ZMAQ气动薄膜三通调节阀

 ZMAQ(BX)型气动薄膜三通调节阀有合流和分流两种作用方式。阀芯结构采用圆筒薄壁窗口,并采用阀芯侧面导向。三通阀在某些场合可以替代两个二通和一个三通阀在某些场合可以替代两个二通和一个三通接管而得到广泛应用,常用于热交换器的两相调节,也可用于简单的配比调节。

服务热线: 021-60528933

  ZMAQ(BX)型气动薄膜三通调节阀有合流和分流两种作用方式。阀芯结构采用圆筒薄壁窗口,并采用阀芯侧面导向。三通阀在某些场合可以替代两个二通和一个三通阀在某些场合可以替代两个二通和一个三通接管而得到广泛应用,常用于热交换器的两相调节,也可用于简单的配比调节。

一、主要技术参数和性能指标
1、调节机构主要技术参数

2

2、执行机构主要技术参数

2

3、性能指标

2

注:一般均应带定位器

4、允许压差

2

可配附件
定位器 手轮机构 空气过滤减压器等。

二、主要零件材料及推荐使用温度范围

2

图片6

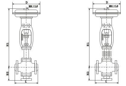
三、外形尺寸

2

注:公称通径小于8的分流阀采用同口径的合流阀代替

订货须知
订货时请注明:
1、产品型号 
2、公称通径、额定流量系数Kv 
3、信号压力、弹簧范围 
4、流量特性 
5、阀前阀后压差 
6、介质种类 
7、介质工作温度范围 
8、阀体、阀塞、套筒材质 
9、是否带手轮机构及定位器、并说明型号 
10、是否有其它特殊要求

热品推荐 / Hot product

RW72高压糖心VLGO官网入口

高压糖心VLGO官网入口RW72

RW72系列不锈钢高压糖心VLGO官网入口,不锈钢活塞压力传输,压力控制准确,用手调节上游压力,适用于纯净气体、标准气体、腐蚀性气体、液体等。
RW200精密糖心VLGO官网入口

RW200精密糖心VLGO官网入口

糖心官网入口糖心视频APP官网入口RW200精密糖心VLGO官网入口的气室设计,其背压精度比弹簧式糖心VLGO官网入口高5倍,可达6000Psig,精度高,稳定性好,气液两相条件下的性能优良,适用于纯净介质和腐蚀性介质。
液体糖心VLGO官网入口LBF  液体泄压阀LAF

液体糖心VLGO官网入口LBF 液体泄压阀LAF

LBF系列液体糖心VLGO官网入口,采用膜片式结构,用于膜片压力传输,用于泵的出口,稳定压力,稳定流量,防止液体回流,也可以安装在支路中作泄压阀使用。与阻尼器配合使用,减小液体波动。
真空糖心VLGO官网入口RW76

真空糖心VLGO官网入口RW76

RW76系列真空糖心VLGO官网入口,不锈钢膜片压力传输,压力控制准确,用于调节管道真空压力的大小,适用于标准气体、腐蚀性气体、液体等。可面板安装。

糖心官网入口糖心视频APP官网入口产品中心

全国服务热线

021-60528933

相关推荐资讯

直动式糖心视频下载APP与先导式糖心视频下载APP的区别

直动式糖心视频下载APP与先导式糖心视频下载APP的区别

直动式糖心视频下载APP与先导式糖心视频下载APP的区别是什么?糖心官网入口糖心视频APP官网入口告诉您!先导式糖心视频下载APP是采用控制阀体内的启闭件的开度来调节介质的流量,将介质的压力降低,同时借助阀后压力的作用调节启闭件的开度,使阀后压力保持在一定范围内,在进口压力不断变化的情况下,保持出口压力在设定的范围内,保护其后的生活生产器具。本类糖心视频APP官网入口在管......
什么是单向阀

什么是单向阀

单向阀又称止回阀或逆止阀。用于液压系统中防止油流反向流动,或者用于气动系统中防止压缩空气逆向流动。今天糖心官网入口糖心视频APP官网入口为您介绍一下什么是单向阀。一、简介单向阀有直通式和直角式两种。直通式单向阀用螺纹连接安装在管路上。直角式单向阀有螺纹连接、板式连接和法兰连接三种形式。液控单向阀也称闭锁阀或保压阀,它与......
糖心视频APP官网入口的维护保养方式有哪些

糖心视频APP官网入口的维护保养方式有哪些

糖心视频APP官网入口品种及规格相当繁多,主要用于截止、导流、稳压、分流等,用途广泛。正确和有序有效的维护保养会保护糖心视频APP官网入口,使糖心视频APP官网入口正常发挥功能并且延长糖心视频APP官网入口使用寿命。今天糖心官网入口糖心视频APP官网入口为您介绍一下糖心视频APP官网入口的维护保养方式。日常糖心视频APP官网入口维护保养1、糖心视频APP官网入口应存干燥通风的室内,通路两端须堵塞。2、长期存放的糖心视频APP官网入口应定期检查,清除污物,并在加工......
我国糖心视频APP官网入口市场的现状及前景如何

我国糖心视频APP官网入口市场的现状及前景如何

糖心视频APP官网入口是工业上一种重要的流体控制设备,涉及到国民经济诸多部门,是国民经济的发展重要基础设备。今天糖心官网入口糖心视频APP官网入口带大家一起分析一下我国糖心视频APP官网入口市场的现状及前景。经过几十年的发展,我国糖心视频APP官网入口产品已经形成十几大类,在企业数量和产销量两方面均在世界上排名靠前,但大多是小规模、低层次糖心视频APP官网入口的企业,产品也以中低端为主。改......
网站地图