热门关键词: 不锈钢减压器 瓶阀 单向阀 气体糖心视频下载APP 不锈钢糖心VLGO官网入口

WTZ-FQ型调压器适用于天然气、煤气、液化气和其他无腐蚀性气体调压和稳压,是替代衡量式(自力式)的新型调压器;应用于民用小区群楼调压及小型公寓设施。
WTZ-FQ型调压器适用于天然气、煤气、液化气和其他无腐蚀性气体调压和稳压,是替代衡量式(自力式)的新型调压器;应用于民用小区群楼调压及小型公寓设施。
●该系列调压器采用模块化结构设计,信号管均为内置式,性能稳定、流量大、造价低、结构紧凑,可在线维护,极为方便。
●超压自动切断。
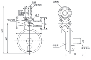
● FQ系列调压器的主要结构和尺寸(见图)。
● 该调压器还可配置成单路旁通(1+1)、双路加旁通(2+1)柜式调压系统。
| ➣ 进口压力P1:≤0.6MPa |
| ➣ 出口压力P2:1~50KPa |
| ➣ 稳定精度δP2: ±10% |
| ➣ 关闭压力Pb:≤ 1.25P2 |
| ➣ 工作温度: -20℃~60℃ |
| ➣ 公称管径:DN50、DN80 |
全国服务热线