精益求精,匠心制造10余年专注自控糖心视频APP官网入口研制

服务热线021-60528933

糖心官网入口糖心视频APP官网入口自限压结构设计,功能衍生适用广
上一页
下一页

高温糖心VLGO官网入口HTRW71

高温糖心VLGO官网入口HTRW71

高温糖心VLGO官网入口HTRW71

高温糖心VLGO官网入口HTRW71

高温糖心VLGO官网入口HTRW71

HTRW71低压系列高温糖心VLGO官网入口,不锈钢膜片压力传输,压力控制准确,用于调节上游压力,适用高温气体、高温液体,可面板安装。

服务热线: 021-60528933

HTRW71低压系列高温糖心VLGO官网入口,不锈钢膜片压力传输,压力控制准确,用于调节上游压力,适用高温气体、高温液体,可面板安装。

  • 高温调节
    高温调节
  • 高温调节
    高温调节
  • 高温调节
    高温调节

设计特点Design features

● 可采用面板式或墙式安装。

● 母体与膜片采用硬密封形式。

● 母体螺纹: 1/4" NPT(F) 3/8"NPT(F)。

特性参数Characteristic parameters

➣  最大调节压力:800psig
➣  调节压力:0~25,0~50,0~100,0~250,0~300,0~500,0~800psig
➣  安全测试压力:1.5倍的最大输入压力
➣  适用温度:100℃至+260℃(大于260℃咨询技术)
➣  Cv值: 0.06 ,0.08, 0.2 ,0.4, 0.6

产品材质Product material

➣  母体:316L ,Brass,C276,TA2,PVDF,不锈钢衬氟
➣  上盖: 304
➣  膜片:316L C276
➣  阀座:PTFE,PEEK, Vespel
➣  弹簧:316L
➣  阀芯顶杆:316L

流量曲线图Flow curve

流量曲线图

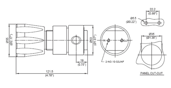
安装尺寸图Installation dimensions

安装尺寸图

母体孔位图Matrix bitmap

母体孔位图


订购指南ORDERING INFORMATION
系列型号 母体材质 母体孔位 调节压力 压力表 进气形式 出气形式 选项
L A G G  00 00 P
HTRW71高温糖心VLGO官网入口 L:316L
B:Brass
C:C276
T:TA2
PD:PVDF
CF:衬氟
A
B
L:0-25psig
K:0-50psig
I:0-100psig
G:0-250psig
F:0-300psig
E:0-500psig
D:0-800psig
G:附压力表
 (Mpa)
p:附压力表
(psig/bar)
W:无压力表
00:1/4NPT(F)
01:1/4NPT(M)
02:3/8NPT(F)
10:1/8卡套接头
11:1/4卡套接头
12:3/8卡套接头
91:1/4"VCR(F)
92:1/4"VCR(M)
93:1/4"焊接管
其他接头可供选择
00:1/4NPT(F)
01:1/4NPT(M)
02:3/8NPT(F)
10:1/8卡套接头
11:1/4卡套接头
12:3/8卡套接头
91:1/4"VCR(F)
92:1/4"VCR(M)
93:1/4"焊接管
其他接头可供选择
P:面板式安装



热品推荐 / Hot product

RW72高压糖心VLGO官网入口

高压糖心VLGO官网入口RW72

RW72系列不锈钢高压糖心VLGO官网入口,不锈钢活塞压力传输,压力控制准确,用手调节上游压力,适用于纯净气体、标准气体、腐蚀性气体、液体等。
RW200精密糖心VLGO官网入口

RW200精密糖心VLGO官网入口

糖心官网入口糖心视频APP官网入口RW200精密糖心VLGO官网入口的气室设计,其背压精度比弹簧式糖心VLGO官网入口高5倍,可达6000Psig,精度高,稳定性好,气液两相条件下的性能优良,适用于纯净介质和腐蚀性介质。
液体糖心VLGO官网入口LBF  液体泄压阀LAF

液体糖心VLGO官网入口LBF 液体泄压阀LAF

LBF系列液体糖心VLGO官网入口,采用膜片式结构,用于膜片压力传输,用于泵的出口,稳定压力,稳定流量,防止液体回流,也可以安装在支路中作泄压阀使用。与阻尼器配合使用,减小液体波动。
真空糖心VLGO官网入口RW76

真空糖心VLGO官网入口RW76

RW76系列真空糖心VLGO官网入口,不锈钢膜片压力传输,压力控制准确,用于调节管道真空压力的大小,适用于标准气体、腐蚀性气体、液体等。可面板安装。

糖心官网入口糖心视频APP官网入口产品中心

全国服务热线

021-60528933

相关推荐资讯

直动式糖心视频下载APP与先导式糖心视频下载APP的区别

直动式糖心视频下载APP与先导式糖心视频下载APP的区别

直动式糖心视频下载APP与先导式糖心视频下载APP的区别是什么?糖心官网入口糖心视频APP官网入口告诉您!先导式糖心视频下载APP是采用控制阀体内的启闭件的开度来调节介质的流量,将介质的压力降低,同时借助阀后压力的作用调节启闭件的开度,使阀后压力保持在一定范围内,在进口压力不断变化的情况下,保持出口压力在设定的范围内,保护其后的生活生产器具。本类糖心视频APP官网入口在管......
什么是单向阀

什么是单向阀

单向阀又称止回阀或逆止阀。用于液压系统中防止油流反向流动,或者用于气动系统中防止压缩空气逆向流动。今天糖心官网入口糖心视频APP官网入口为您介绍一下什么是单向阀。一、简介单向阀有直通式和直角式两种。直通式单向阀用螺纹连接安装在管路上。直角式单向阀有螺纹连接、板式连接和法兰连接三种形式。液控单向阀也称闭锁阀或保压阀,它与......
糖心视频APP官网入口的维护保养方式有哪些

糖心视频APP官网入口的维护保养方式有哪些

糖心视频APP官网入口品种及规格相当繁多,主要用于截止、导流、稳压、分流等,用途广泛。正确和有序有效的维护保养会保护糖心视频APP官网入口,使糖心视频APP官网入口正常发挥功能并且延长糖心视频APP官网入口使用寿命。今天糖心官网入口糖心视频APP官网入口为您介绍一下糖心视频APP官网入口的维护保养方式。日常糖心视频APP官网入口维护保养1、糖心视频APP官网入口应存干燥通风的室内,通路两端须堵塞。2、长期存放的糖心视频APP官网入口应定期检查,清除污物,并在加工......
我国糖心视频APP官网入口市场的现状及前景如何

我国糖心视频APP官网入口市场的现状及前景如何

糖心视频APP官网入口是工业上一种重要的流体控制设备,涉及到国民经济诸多部门,是国民经济的发展重要基础设备。今天糖心官网入口糖心视频APP官网入口带大家一起分析一下我国糖心视频APP官网入口市场的现状及前景。经过几十年的发展,我国糖心视频APP官网入口产品已经形成十几大类,在企业数量和产销量两方面均在世界上排名靠前,但大多是小规模、低层次糖心视频APP官网入口的企业,产品也以中低端为主。改......
网站地图